Показать/Скрыть навигацию
Перейти к содержимому
ТЕРМОСОПРОТИВЛЕНИЯ
“ECONOMY”
Канальный TU-K02
Наружный TS-E00
Наружный TS-E01
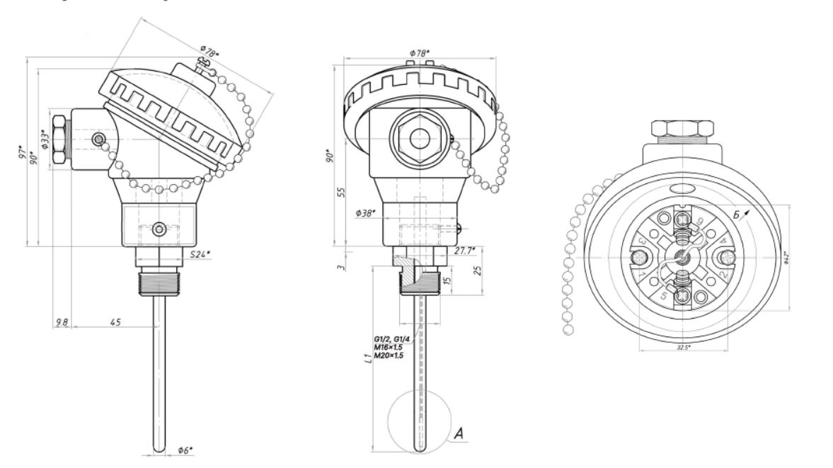
Погружной TU-D11
Комнатный TS-R00
Комнатный TS-R01
Накладной TU-00
“STANDART”
Наружный TS-E
Накладной TS-C
Комнатный TS-R
Канальный TU-K
Канальный TS-K
Погружной TU-D
Погружной TS-D
Контактный TU-01
Накладной TU-С01
Маятниковый TU-R01
“PROFESSIONAL”
Наружный TS-E PRO
Комнатный TS-R PRO
Канальный TS-K PRO
Канальный TU-K PRO
Накладной TS-C PRO
Накладной TU-C PRO
Погружной TS-D PRO
Погружной TU-D PRO
“EXTREME”
Наружный TS-E03-IP68
Наружный TS-E01-IP68 PRO
Канальный TU-K-IP68 PRO
Канальный TS-K-HT (400°C)
Врезной TS-D-HT (400°C)
Врезной MBT3560R
Врезной MBT5250R
АКСЕССУАРЫ
Бобышки приварные
Гильзы серия “D”
Гильзы серия “TH-MS”
Гильзы серия “PG7”
Гильзы серия “ESMU”
Гильзы серия “ГЗ”
Фланцы серия “MF-6”
ПРЕОБРАЗОВАТЕЛИ
“STANDART” 4-20мА
Наружные TS-E-420
Накладные TS-C-420
Канальные TS-K-420
Погружные TS-D-420
“STANDART” ModBus
Наружные TS-E-ModBus
Канальные TS-K-ModBus
Накладные TS-C-ModBus
Погружные TS-D-ModBus
“PRO” 4-20мА, 0-10В
Наружные TS-E-420 PRO
Накладные TS-C-420 PRO
Канальные TS-K-420 PRO
Погружные TS-D-420 PRO
“ВЛАЖНОСТЬ” THS
Комнатный THS-01
Канальный THS-02-190
Канальный THS-02-240
Наружный THS-03
“LEFOO”
Комнатный LFH20 (RH+T)
Гигростат LFH21 (RH+T)
Канальный LFH10R (RH+T)
Настенный LFG101 (СО)
Настенный LFG201 (СО2)
Канальный LFG202 (CO2)
Комнатный LFG203 (СО2)
Канальный LFS10 (потока)
ДАВЛЕНИЕ
ПРЕССОСТАТЫ “ВОЗДУХ”
Датчик перепада давления DPS
Преобразователь перепада давления DPT
Преобразователь перепада давления LFM108
Преобразователь перепада давления LFM11
ПРЕССОСТАТЫ “ЖИДКОСТЬ”
Реле протока жидкости FS5
Реле давления жидкости LF55
Реле перепада давления LF52
Реле перепада давления LF5D
Реле давления мембранное LF08
Cдвоенное реле давления LF58
ПРЕОБРАЗОВАТЕЛИ ДАВЛЕНИЯ
Датчик избыточного давления MBS
Датчик избыточного давления Т2000
ТЕРМОСТАТЫ
КАПИЛЛЯРНЫЕ ЗАЩИТНЫЕ
Капиллярный термостат TS-K-IP30
Капиллярный термостат TS-K-IP54
Капиллярный термостат TS-K-IP65
Капиллярный термостат TS (IP30)
Капиллярный термостат KP (IP44)
ТЕРМОСТАТЫ ДЛЯ ПОМЕЩЕНИЙ
Комнатный термостат WPF15-ROOM
Комнатный термостат TS-K-040
Термостат для помещений TS-K1.5
Реле температуры TS (LEFOO)
ТЕРМОСТАТЫ ПРОЧИЕ
Канальный термостат TS-K02-25
Защитный термостат TS-K02-90
Погружной термостат WPF-K090
Накладной термостат WPF-T2090
ПРИВОДЫ
ПРИВОДЫ ВОЗДУШНЫХ ЗАСЛОНОК
Приводы без пружины ADA
Приводы с пружиной SADA
Приводы противопожарные FSADA
КОМПАКТНЫЕ ПРИВОДЫ КРАНОВ
Приводы шаровых кранов ADA-BV
Приводы регулирующих кранов RGP
Приводы регулирующих кранов AMB
Приводы с регулятором PID
ШАРОВЫЕ КРАНЫ И КЛАПАНЫ
Шаровые краны серия “BV”
Клапан регулирующий 2-ходовой
Клапан регулирующий 3-ходовой
Балансировочный кран SBV
РЕГУЛЯТОРЫ
ТЕМПЕРАТУРА В КАНАЛЕ
Канальный регулятор температуры МРТ
Канальный регулятор температуры РТК
СКОРОСТЬ ВЕНТИЛЯТОРА
Симисторный регулятор скорости STY-R
Симисторный регулятор скорости SRE
Трансформаторный регулятор SRE-220
Трансформаторный регулятор SRE-380
ТРАНСФОРМАТОРЫ И БЛОКИ ПИТАНИЯ
Трансформатор 220В ATRE
Трансформатор 380В ATRD
Источник бесперебойного питания ИБП-24-60А
ИНФОРМАЦИЯ
ОБЩАЯ ИНФОРМАЦИЯ
История компании
Экскурсия по производству
3D тур по производству
Адрес и контактные данные
Дистрибьюторы и дилеры
Форма обратной связи
ДОКУМЕНТАЦИЯ
Интерактивный каталог 2026
Прайс-лист продукции 2026
Декларации и сертификаты
Публичная оферта
ПОЛЕЗНАЯ ИНФОРМАЦИЯ
Таблица зависимости R/T
Статья “Наружные датчики”
Статья “Накладные датчики”
Статья “Фильтры для датчиков влажности”
Сенсоры датчиков влажности ±1%
Сенсоры датчиков влажности ±2%
04.02.2026
Елена Чудакова
NS-D-HT-DRAW
Добавить комментарий
Отменить ответ
Для отправки комментария вам необходимо
авторизоваться
.