
Промышленный погружной датчик температуры TS-D-HT в защищенном корпусе из алюминия и с штуцером из нержавеющей стали с резьбовым присоединением используется для врезки в трубопроводы, резервуары и технологические узлы в производстве и промышленности. Термопреобразователь построен на основе платиновых чувствительных элементов Pt100 и Pt1000, обеспечивает быстрый отклик и точное измерение. Корпус из силумина с керамической клеммной колодкой, которая обеспечивает надёжное подключение по 2-х, 3-х или 4-х проводной схеме. Конструкция защищена по стандарту IP65 и рассчитана на надёжную работу в промышленных условиях.
⭐ Преимущества датчика TS-D-H:
✅ Гарантия производителя 3 года.
✅ Штуцер из нержавеющей стали AISI 304.
✅ Защита корпуса IP65, защита сенсора IP67.
✅ Расширенный диапазон измерения.
✅ 100% контроль качества (ОТК).
✅ Подробная техническая документация.
Индивидуальная маркировка: при производстве датчиков температуры на каждый корпус наносится нестираемая и долговечная лазерная гравировка, позволяющая определить тип сенсора, диапазон эксплуатации, степень защиты и дату производства, что позволяет инженерно-техническому персоналу проводить своевременное обслуживание и замену в случае необходимости.
| Диапазон измерения температуры: | PTC (A) -50…+300 °C, PTC (B) -70…+500 °C |
| Условное давление: | не более 2.5 мПа (25 бар) |
| Эксплуатация (корпус): | -60…+85 °C |
| Сенсор PT1000, PT100 (A): | ±(0.15+0.0017*| t |°C), t – температура |
| Сенсор PT1000, PT100 (B): | ±(0.3+0.005*| t |°C), t – температура |
| Долговременная стабильность: | < 0.05 °C (в год) |
| Защита корпуса/сенсора: | IP65/IP67 |
| Материал корпуса, уплотнений: | силумин, резина |
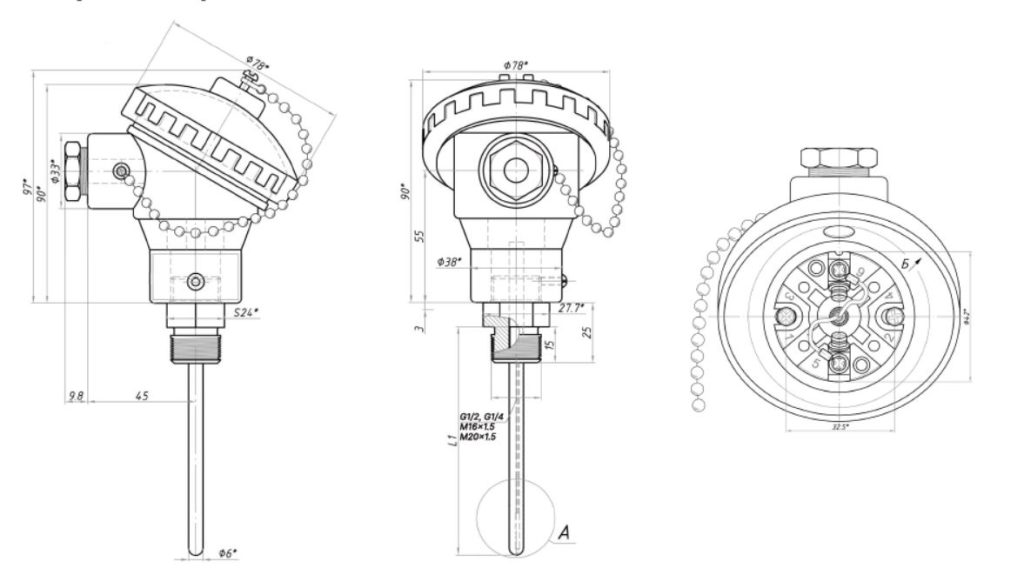
| Размеры корпуса: | 97x78x100 мм |
| Штуцер датчика: | AISI 304/316, Ø 6 мм, 50…500 мм |
| Резьбовое соединение (HP): | G1/2, G1/4, M16x1.5, M20x1.5 |
| Ввод кабеля: | M20x1.5, кабель диаметром ≤ 10 мм |
| Доступные измерительные элементы: | PT100, PT1000 (A, B) |
| Схема подключения: | 2-х, 3-х, 4-х проводная |
| Соединительные клеммы: | клемма на керамической подложке |
| Тепловая инерция: | не более 10-30 сек |
| Сопротивление изоляции: | не менее 100 Мом |
| Монтаж и установка: | в бобышку, в гильзу |
| Срок службы (средний): | не менее 10 лет |
Применяемые сенсоры: с прямой PTC (Pt1000 и PT100) зависимостью сопротивления от температуры.
Ближайшие аналоги: ниже представлены производители и артикулы наружных датчиков температуры, которые по внешнему виду и конструктивным особенностям максимально приближены к продукции RGP. В основном датчики в подобных корпусах производятся в Китае.
| SHUFT | ETF-01-PT1000 |
| WILMANN | VSP, VSP-3 |
| S+S REGELTECHNIK | TF65-PT1000-50, TF43-NTC10K-100 |
| REGIN (POLAR BEAR) | TG-DHW1, ST-M1/PT1000 |
| CAREL | TSQ15MAB00 + гильза |
| THERMOKON | SKF02 NTC10k + гильза |
| PRODUAL | TEAT Pt1000 + гильза |
| FuehlerSysteme | TF1/E-20/150, TF1/E-30/250 |
| HONEYWELL | VF00-1B54, VF00-1B54NW |
| ОВЕН | ДТС3105-PТ1000 |
| АВТОМАТИЗАЦИЯ | ДТ-П 47.07.10.00 Pt1000 |
| TS-DA1-HT-CDE | Погружной датчик температуры 50 мм промышленный |
| TS-DA2-HT-CDE | Погружной датчик температуры 80 мм промышленный |
| TS-DA3-HT-CDE | Погружной датчик температуры 150 мм промышленный |
| TS-DA4-HT-CDE | Погружной датчик температуры 200 мм промышленный |
| TS-DA5-HT-CDE | Погружной датчик температуры 250 мм промышленный |
| TS-DA6-HT-CDE | Погружной датчик температуры 300 мм промышленный |
| TS-DA7-HT-CDE | Погружной датчик температуры 350 мм промышленный |
| TS-DA8-HT-CDE | Погружной датчик температуры 400 мм промышленный |
| TS-DA9-HT-CDE | Погружной датчик температуры 500 мм промышленный |

⭐ Важная информация:
✅ Возможно производство датчиков под вашим брендом и артикулом (ОЕМ).
✅ На датчики оформлены декларации и разработаны полные инструкции.
✅ Количество датчиков в коробке 10 штук, каждый датчик индивидуально упакован.
✅ Датчики входят в складскую программу (в наличии на складе).
