Завод по производству оборудования для систем ОВК 
Перейти к содержимому
  • ТЕРМОСОПРОТИВЛЕНИЯ
    • “ECONOMY”
      • Канальный TU-K02
      • Наружный TS-E00
      • Наружный TS-E01
      • Погружной TU-D11
      • Комнатный TS-R00
      • Комнатный TS-R01
      • Накладной TU-00
    • “STANDART”
      • Наружный TS-E
      • Накладной TS-C
      • Комнатный TS-R
      • Канальный TU-K
      • Канальный TS-K
      • Погружной TU-D
      • Погружной TS-D
      • Контактный TU-01
      • Накладной TU-С01
      • Маятниковый TU-R01
    • “PROFESSIONAL”
      • Наружный TS-E PRO
      • Комнатный TS-R PRO
      • Канальный TS-K PRO
      • Канальный TU-K PRO
      • Накладной TS-C PRO
      • Накладной TU-C PRO
      • Погружной TS-D PRO
      • Погружной TU-D PRO
    • “EXTREME”
      • Наружный TS-E03-IP68
      • Наружный TS-E01-IP68 PRO
      • Канальный TU-K-IP68 PRO
      • Канальный TS-K-HT (400°C)
      • Врезной TS-D-HT (400°C)
      • Врезной MBT3560R
      • Врезной MBT5250R
    • АКСЕССУАРЫ
      • Бобышки приварные
      • Гильзы серия “D”
      • Гильзы серия “TH-MS”
      • Гильзы серия “PG7”
      • Гильзы серия “ESMU”
      • Гильзы серия “ГЗ”
      • Фланцы серия “MF-6”
  • ПРЕОБРАЗОВАТЕЛИ
    • “STANDART” 4-20мА
      • Наружные TS-E-420
      • Накладные TS-C-420
      • Канальные TS-K-420
      • Погружные TS-D-420
    • “STANDART” ModBus
      • Наружные TS-E-ModBus
      • Канальные TS-K-ModBus
      • Накладные TS-C-ModBus
      • Погружные TS-D-ModBus
    • “PRO” 4-20мА, 0-10В
      • Наружные TS-E-420 PRO
      • Накладные TS-C-420 PRO
      • Канальные TS-K-420 PRO
      • Погружные TS-D-420 PRO
    • “ВЛАЖНОСТЬ” THS
      • Комнатный THS-01
      • Канальный THS-02-190
      • Канальный THS-02-240
      • Наружный THS-03
    • “LEFOO”
      • Комнатный LFH20 (RH+T)
      • Гигростат LFH21 (RH+T)
      • Канальный LFH10R (RH+T)
      • Настенный LFG101 (СО)
      • Настенный LFG201 (СО2)
      • Канальный LFG202 (CO2)
      • Комнатный LFG203 (СО2)
      • Канальный LFS10 (потока)
  • ДАВЛЕНИЕ
    • ПРЕССОСТАТЫ “ВОЗДУХ”
      • Датчик перепада давления DPS
      • Преобразователь перепада давления DPT
      • Преобразователь перепада давления LFM108
      • Преобразователь перепада давления LFM11
    • ПРЕССОСТАТЫ “ЖИДКОСТЬ”
      • Реле протока жидкости FS5
      • Реле давления жидкости LF55
      • Реле перепада давления LF52
      • Реле перепада давления LF5D
      • Реле давления мембранное LF08
      • Cдвоенное реле давления LF58
    • ПРЕОБРАЗОВАТЕЛИ ДАВЛЕНИЯ
      • Датчик избыточного давления MBS
      • Датчик избыточного давления Т2000
  • ТЕРМОСТАТЫ
    • КАПИЛЛЯРНЫЕ ЗАЩИТНЫЕ
      • Капиллярный термостат TS-K-IP30
      • Капиллярный термостат TS-K-IP54
      • Капиллярный термостат TS-K-IP65
      • Капиллярный термостат TS (IP30)
      • Капиллярный термостат KP (IP44)
    • ТЕРМОСТАТЫ ДЛЯ ПОМЕЩЕНИЙ
      • Комнатный термостат WPF15-ROOM
      • Комнатный термостат TS-K-040
      • Термостат для помещений TS-K1.5
      • Реле температуры TS (LEFOO)
    • ТЕРМОСТАТЫ ПРОЧИЕ
      • Канальный термостат TS-K02-25
      • Защитный термостат TS-K02-90
      • Погружной термостат WPF-K090
      • Накладной термостат WPF-T2090
  • ПРИВОДЫ
    • ПРИВОДЫ ВОЗДУШНЫХ ЗАСЛОНОК
      • Приводы без пружины ADA
      • Приводы с пружиной SADA
      • Приводы противопожарные FSADA
    • КОМПАКТНЫЕ ПРИВОДЫ КРАНОВ
      • Приводы шаровых кранов ADA-BV
      • Приводы регулирующих кранов RGP
      • Приводы регулирующих кранов AMB
      • Приводы с регулятором PID
    • ШАРОВЫЕ КРАНЫ И КЛАПАНЫ
      • Шаровые краны серия “BV”
      • Клапан регулирующий 2-ходовой
      • Клапан регулирующий 3-ходовой
      • Балансировочный кран SBV
  • РЕГУЛЯТОРЫ
    • ТЕМПЕРАТУРА В КАНАЛЕ
      • Канальный регулятор температуры МРТ
      • Канальный регулятор температуры РТК
    • СКОРОСТЬ ВЕНТИЛЯТОРА
      • Симисторный регулятор скорости STY-R
      • Симисторный регулятор скорости SRE
      • Трансформаторный регулятор SRE-220
      • Трансформаторный регулятор SRE-380
    • ТРАНСФОРМАТОРЫ И БЛОКИ ПИТАНИЯ
      • Трансформатор 220В ATRE
      • Трансформатор 380В ATRD
      • Источник бесперебойного питания ИБП-24-60А
  • ИНФОРМАЦИЯ
    • ОБЩАЯ ИНФОРМАЦИЯ
      • История компании
      • Экскурсия по производству
      • 3D тур по производству
      • Адрес и контактные данные
      • Дистрибьюторы и дилеры
      • Форма обратной связи
    • ДОКУМЕНТАЦИЯ
      • Интерактивный каталог 2026
      • Прайс-лист продукции 2026
      • Декларации и сертификаты
      • Публичная оферта
    • ПОЛЕЗНАЯ ИНФОРМАЦИЯ
      • Таблица зависимости R/T
      • Статья “Наружные датчики”
      • Статья “Накладные датчики”
      • Статья “Фильтры для датчиков влажности”
      • Сенсоры датчиков влажности ±1%
      • Сенсоры датчиков влажности ±2%

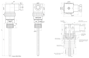
MBT5250R-DRAW-1

Опубликовано 25.02.2026 автором admin

Запись опубликована в . Закладка ссылка.

Навигация по записям

← MBT5250R-DRAW-1

Добавить комментарий Отменить ответ

Для отправки комментария вам необходимо авторизоваться.

Свежие записи

  • Новости: Выставка Мир Климата 2026. Отчет и фотографии.
  • Новинка: Врезные датчики MBT. Аналог продукции Danfoss.
  • Новости: высокотемпературные датчики TS-K-HT, TS-D-HT!
  • Новости: Выставка «Мир Климата» пройдет с 16 по 19 февраля
  • Новости: Обновленный каталог и прайс-лист 2026

Свежие комментарии

    Архивы

    • Март 2026
    • Февраль 2026
    • Декабрь 2025
    • Ноябрь 2025
    • Октябрь 2025
    • Сентябрь 2025

    Рубрики

    • Uncategorized
    • Новости РГП

    Мета

    • Войти
    • RSS записей
    • RSS комментариев
    • WordPress.org
    190020, г. Санкт-Петербург, наб. Обводного канала, д. 223-225, лит. С
    sales@rgp-tech.ru
    8 (812) 425-61-16

    © 2025 RGP. Все права защищены.

    Zerif Lite создано с помощью WordPress